El interruptor de viaje de límite de doble poliza independiente es un componente de control automático activado por movimiento mecánico. Su función central es detectar el desplazamiento o la carrera de un objeto para lograr la apertura y cierre de los circuitos, el inicio y la parada del equipo, o la protección límite. Es un 'Centinel de seguridad' indispensable y un 'Comandante de Acción' en automatización industrial y equipos electromecánicos.
Cambiar Presentelugar
El interruptor de viaje (también conocido como un interruptor de límite) es un componente de control automático activado por movimiento mecánico. Su función central es detectar el desplazamiento o la carrera de un objeto para lograr la apertura y cierre de los circuitos, el inicio y la parada del equipo, o la protección límite. Es un 'Centinel de seguridad' indispensable y un 'Comandante de Acción' en automatización industrial y equipos electromecánicos.
Cambiar Aplicaciónaficionado
Aplicación en electrodomésticos y hogar inteligente:
Lavadora:Se instala un interruptor de límite en la puerta de una lavadora de carga frontal. El aparato solo comenzará cuando la puerta esté completamente cerrada y el interruptor activa el circuito, lo que evita que la fuga de agua o la ropa se desechen durante la operación.
Refrigerador/horno:Cuando se cierra la puerta de un refrigerador, el interruptor se dispara para apagar la luz interior. Por el contrario, si una puerta del horno no está cerrada de forma segura, el interruptor cortará la energía a los elementos de calefacción para evitar la fuga de calor.
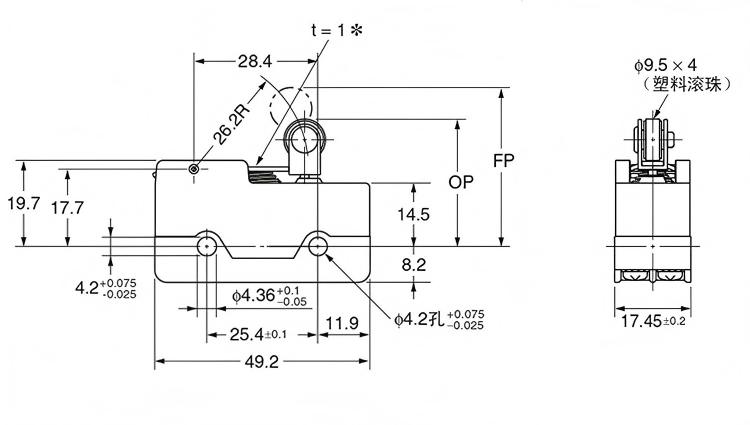
Cambiar Detalles

Interruptor deslizante Micro interruptor de límite
Piezas de automóvil del microinterruptor del interruptor de viaje
Piezas de la máquina del interruptor de viaje
Interruptor de límite de rodillo ajustable
Interruptor de límite impermeable con válvula sellada
Mini interruptor de límite de palanca de rodillo de brazo