Como obra maestra clásica de Yueqing Tongda en el campo de los microinterruptores, el microinterruptor de triple reinicio con cerradura de puerta inteligente y aspirador robótico Weipeng presenta las principales ventajas de "estructura en miniatura, vida útil ultralarga y disparo preciso" y está especialmente diseñado para dispositivos de interacción persona-computadora como ratones y teclados, así como pequeñas aplicaciones de control electrónico.
Introducción al microinterruptor
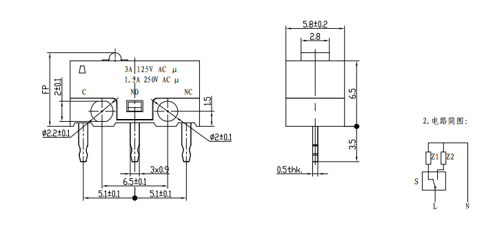
Como obra maestra clásica de Yueqing Tongda en el campo de los interruptores en miniatura, el interruptor para mouse HK-10 presenta las principales ventajas de "estructura en miniatura, vida útil ultralarga y actuación precisa", diseñado específicamente para dispositivos de interacción persona-computadora como ratones y teclados, así como pequeñas aplicaciones de control electrónico. Este producto, que integra más de treinta años de experiencia en fabricación de interruptores y tecnología patentada, se ha convertido en un componente de control clave en electrónica de consumo, control industrial y dispositivos inteligentes, gracias a su velocidad de respuesta de milisegundos, durabilidad de decenas de millones de ciclos y amplia compatibilidad. Durante mucho tiempo ha brindado servicios de soporte a marcas electrónicas reconocidas tanto a nivel nacional como internacional.
Es compatible con dispositivos portátiles inteligentes, paneles de control domésticos inteligentes, dispositivos electrónicos portátiles y más. Su diseño compacto y bajo consumo de energía satisfacen perfectamente las necesidades de dispositivos pequeños, brindando soporte de control preciso para productos como relojes inteligentes y cerraduras de puertas inteligentes.
Se utiliza para paneles táctiles industriales, pequeños botones de control, control de micromovimiento en equipos de automatización, etc. Su clasificación de protección IP40 puede resistir el polvo del taller y su amplio rendimiento de temperatura se adapta a las variaciones de temperatura en entornos industriales, lo que garantiza un funcionamiento estable en escenarios como el control de líneas de montaje y la depuración de equipos.
Parámetro del microinterruptor (especificación)
| ARTÍCULO | Principales parámetros técnicos |
| 1 | Clasificación eléctrica: 1A/3A 250VAC |
| 2 | Vida eléctrica: Min.10000 ciclos |
| 3 | Resistencia de contacto: <50 mΩ |
| 4 | Fuerza operativa: 70 ± 20 gf |
| 5 | Posición libre: 7,3 ± 0,2 mm |
| 6 | Posición de funcionamiento: 7,0 ± 0,2 mm |
| 7 | Temperatura ambiente: T85° |
| 8 | Tensión soportada: entre terminal y terminal 500V/5S/5mA; |
| Entre terminales y caja 1500/5S/5mA | |
| 9 | Resistencia de aislamiento: >100 MΩ. Voltaje de prueba 500 V CC. |
| 10 | Índice de seguimiento de prueba PTI: 175 V |
Detalles del microinterruptor
