El microinterruptor magnético de plástico es un dispositivo interruptor que controla el encendido y apagado de un circuito a través de señales de campo magnético. Su característica principal es el funcionamiento sin contacto, por lo que tiene las ventajas de una respuesta rápida, una larga vida útil y una alta confiabilidad, y se usa ampliamente en los campos de automatización industrial, seguridad, automoción y hogares inteligentes.
Introducción al microinterruptor
Un interruptor magnético es un dispositivo interruptor que controla el encendido y apagado de un circuito a través de señales de campo magnético. Su característica principal es el funcionamiento sin contacto, por lo que tiene las ventajas de una respuesta rápida, una larga vida útil y una alta confiabilidad, y se usa ampliamente en los campos de automatización industrial, seguridad, automoción y hogares inteligentes.
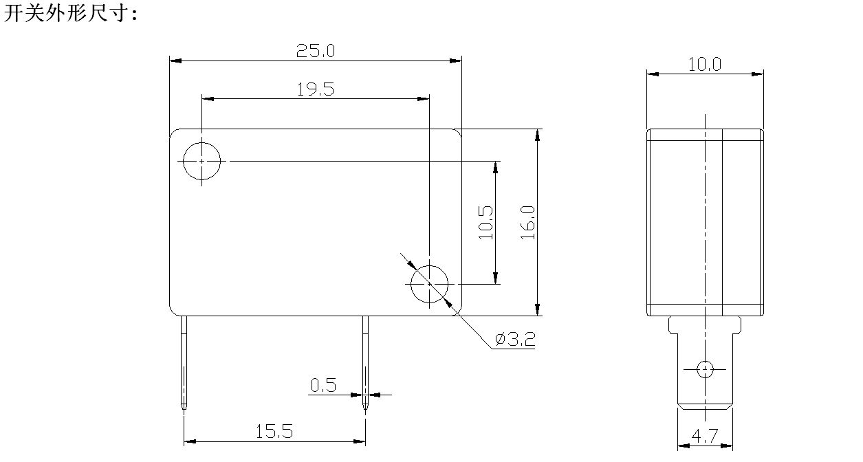
Parámetro del microinterruptor (especificación)
| Características técnicas del interruptor: | |||
| ARTÍCULO | Parámetro técnico | Valor | |
| 1 | Calificación eléctrica | 5(2)A/10A/16(3)A/21(8)A 250VCA | |
| 2 | Resistencia de contacto | ≤30mΩ Valor inicial | |
| 3 | Resistencia de aislamiento | ≥100MΩ (500 VCC) | |
| 4 |
Dieléctrico Voltaje |
Entre terminales no conectados |
1000V/0,5mA/60S |
|
Entre terminales y el marco de metal |
3000V/0,5mA/60S | ||
| 5 | Vida eléctrica | ≥50000 ciclos | |
| 6 | Vida mecánica | ≥1000000 ciclos | |
| 7 | Temperatura de funcionamiento | -25~125℃ | |
| 8 | Frecuencia de funcionamiento |
eléctrico: 15 ciclos Mecánico: 60 ciclos |
|
| 9 | A prueba de vibraciones |
Frecuencia de vibración: 10 ~ 55 HZ; Amplitud: 1,5 mm; Tres direcciones :1H |
|
| 10 |
Capacidad de soldadura: Más del 80% de la parte sumergida se cubrirá con soldadura |
Temperatura de soldadura: 235 ± 5 ℃ Tiempo de inmersión: 2~3S |
|
| 11 | Resistencia al calor de soldadura |
Soldadura por inmersión: 260 ± 5 ℃ 5 ± 1 S Soldadura manual: 300±5℃ 2~3S |
|
| 12 | Aprobaciones de seguridad | UL, CSA, VDE, ENEC, TUV, CE, KC, CQC | |
| 13 | Condiciones de prueba |
Temperatura ambiente: 20 ± 5 ℃ Humedad relativa: 65 ± 5% RH Presión de aire: 86 ~ 106 KPa |
|
Función y aplicación del microinterruptor
Detalles del microinterruptor
