Microinterruptor de corriente grande para lavadoras
Microinterruptor de freidora de aire para máquina de limpieza de lavavajillas
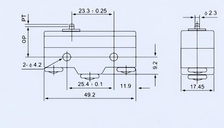
Interruptor normalmente cerrado de 2 pines con reinicio del límite de recorrido de 16 A, 250 VCA
Interruptor de viaje de límite de doble polizos independienteMicro Switch de límite de presión autosuficiente es un componente de control automático desencadenado por movimiento mecánico. Su función central es detectar el desplazamiento o la carrera de un objeto para lograr la apertura y cierre de los circuitos, el inicio y la parada del equipo, o la protección límite. Es un 'Centinel de seguridad' indispensable y un 'Comandante de Acción' en automatización industrial y equipos electromecánicos.
Cambiar Presentelugar
El interruptor de viaje (también conocido como un interruptor de límite) es un componente de control automático activado por movimiento mecánico. Su función central es detectar el desplazamiento o la carrera de un objeto para lograr la apertura y cierre de los circuitos, el inicio y la parada del equipo, o la protección límite. Es un 'Centinel de seguridad' indispensable y un 'Comandante de Acción' en automatización industrial y equipos electromecánicos.
Cambiar Aplicaciónaficionado
El mecanismo de elevación de la plataforma de corte de la cosechadora Combine está equipado con un interruptor de viaje que establece la "altura mínima de trabajo" y la "altura de transporte" de la plataforma de corte. Durante la cosecha, si la plataforma de corte desciende demasiado baja (cerca del suelo, posiblemente raspando el suelo), el interruptor se activa para controlar el sistema hidráulico para elevar la plataforma de corte; Durante el transporte, cuando la plataforma de corte se eleva a la posición más alta, el interruptor se activa para bloquear la altura de la plataforma de corte, evitando el agitación durante la conducción. En la caja de semillas de la semilla, el interruptor de viaje detecta el nivel de semilla. Cuando las semillas están a punto de agotarse, el interruptor desencadena un dispositivo de alarma para recordarle al operador que agregue semillas, evitando la siembra perdida.
Cambiar Detalles

Interruptor deslizante Micro interruptor de límite
Piezas de automóvil del microinterruptor del interruptor de viaje
Piezas de la máquina del interruptor de viaje
Interruptor de límite de rodillo ajustable
Interruptor de límite impermeable con válvula sellada
Mini interruptor de límite de palanca de rodillo de brazo