Microinterruptor de corriente grande para lavadoras
Microinterruptor de freidora de aire para máquina de limpieza de lavavajillas
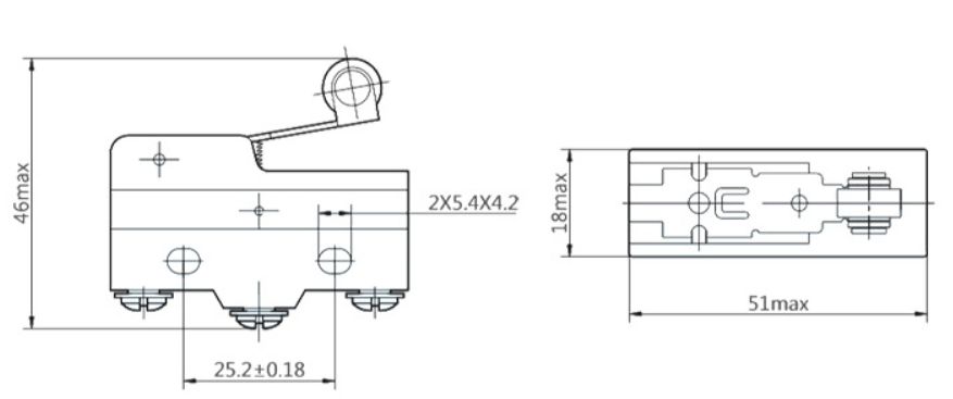
Interruptor normalmente cerrado de 2 pines con reinicio del límite de recorrido de 16 A, 250 VCA
Interruptor de viaje de límite de doble polizos independienteEl interruptor de micro de carrera de límite de presión autosuficiente, como un elemento de control provocado por el desplazamiento mecánico, juega un papel central en el control de la industria, los electrodomésticos y el transporte.
Cambiar Presentelugar
The travel limit switch is triggered mechanically, and the action of the contacts is used for control: when the moving parts of the equipment move to a preset position and touch the triggering mechanism of the switch (such as a roller or lever), it drives the internal mechanical structure to interact, causing the normally open/normally closed contacts of the switch to switch between on and off, thereby cutting off or connecting the control circuit to realize the start and stop of the equipment, limit protection, or Cambio de proceso.
Cambiar Aplicaciónaficionado
En equipos como tornos, máquinas de fresado y centros de mecanizado, los interruptores de límite se instalan comúnmente en ambos extremos del riel de guía o en las posiciones extremas de la mesa deslizante. Por ejemplo, en el portavasos de la herramienta mueve la pista de un torno de CNC, cuando el soporte de herramientas se acerca al final de la pista, el interruptor se activa para cortar la alimentación del motor, evitando que el soporte de la herramienta exceda su viaje y colisione con el cuerpo de la máquina. Del mismo modo, cuando la tabla de trabajo de la máquina de fresado se mueve de lado o hacia adelante y hacia atrás, el interruptor controla con precisión los límites de movimiento, evitando la interferencia entre la pieza de trabajo y los componentes de la máquina, protegiendo así la herramienta de corte y asegurando la precisión del mecanizado.
Cambiar Detalles

Interruptor deslizante Micro interruptor de límite
Piezas de automóvil del microinterruptor del interruptor de viaje
Piezas de la máquina del interruptor de viaje
Interruptor de límite de rodillo ajustable
Interruptor de límite impermeable con válvula sellada
Mini interruptor de límite de palanca de rodillo de brazo