Microinterruptor de corriente grande para lavadoras
Microinterruptor de freidora de aire para máquina de limpieza de lavavajillas
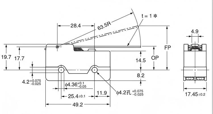
Interruptor normalmente cerrado de 2 pines con reinicio del límite de recorrido de 16 A, 250 VCA
Interruptor de viaje de límite de doble polizos independienteEl interruptor de micro de límite de viaje de doble enlace es un componente de control automático activado por movimiento mecánico. Su función central es detectar el desplazamiento o la carrera de un objeto para lograr la apertura y cierre de los circuitos, el inicio y la parada del equipo, o la protección límite. Es un 'Centinel de seguridad' indispensable y un 'Comandante de Acción' en automatización industrial y equipos electromecánicos.
Cambiar Presentelugar
El interruptor de viaje (también conocido como un interruptor de límite) es un componente de control automático activado por movimiento mecánico. Su función central es detectar el desplazamiento o la carrera de un objeto para lograr la apertura y cierre de los circuitos, el inicio y la parada del equipo, o la protección límite. Es un 'Centinel de seguridad' indispensable y un 'Comandante de Acción' en automatización industrial y equipos electromecánicos.
Cambiar Aplicaciónaficionado
En grúas, ascensores y plataformas de elevación, los interruptores de límite son componentes de seguridad críticos:
Eje del ascensor:Los interruptores de límite superior e inferior se instalan en la parte superior e inferior del eje del elevador. Si el elevador pierde el control y los viajes excesivos, los interruptores se activan para activar el freno de emergencia, evitando que el automóvil se estrellen contra la parte superior (superior) o inferior (pozo) del eje.
Crane Hook:Se instala un interruptor de límite en la posición de límite superior de la ruta del gancho. Cuando el gancho se acerca al puente de la grúa, el interruptor se activa para cortar la energía al motor de elevación, evitando así colisiones y daños al equipo.
Cambiar Detalles

Interruptor deslizante Micro interruptor de límite
Piezas de automóvil del microinterruptor del interruptor de viaje
Piezas de la máquina del interruptor de viaje
Interruptor de límite de rodillo ajustable
Interruptor de límite impermeable con válvula sellada
Mini interruptor de límite de palanca de rodillo de brazo